ЭЛЕКТРОННЫЕ УСИЛИТЕЛИ

В усилителях применяются трех-, четырех- и пятиэлектродные лампы.
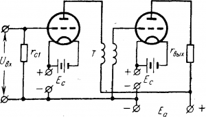
Схема простейшего усилителя или усилительного каскада с применением трехэлектродной лампы дана на рис. 1.
При отсутствии напряжения UBX на входных зажимах (на зажимах сопротивления rс) в анодной цепи незапертой лампы будет проходить ток Iа0, называемый током покоя или постоянной составляющей анодного тока. На выходных зажимах или на зажимах выходного сопротивления rвых будет постоянная составляющая напряжения Uвых = Iа0rвых
Рис. 1. Схема простейшего электронного усилителя.
При появлении на входных зажимах напряжения (сигнала) ∆Uвх потенциал сетки увеличится или уменьшится на ту же величину, вследствие чего анодный ток изменится на величину ∆Iа, а напряжение на выходе изменится на величину ∆Uвых= ∆Iаrвых.
Отношение приращения напряжения на выходе к приращению напряжения на входе носит название коэффициента усиления усилителя.
Рис. 2. График анодного тока.
Таким образом, процесс усиления заключается в том, что слабое изменение напряжения на входных зажимах вызывает подобное, но в Ʀ раз более сильное изменение напряжения на выходных зажимах или электрический сигнал малой мощности, поданный на сетку лампы, воспроизводится в виде значительно более мощным сигналом в выходном сопротивлении.
Чем больше выходное сопротивление по сравнению с сопротивлением лампы Ri, тем меньше отличается коэффициент усиления усилителя от статического коэффициента усиления лампы.
Сеточная характеристика триода (рис. 13-39) снимается при постоянном анодном напряжении Ua. При работе лампы в схеме усилителя изменение анодного тока вызывает изменение анодного напряжения и напряжения на нагрузке, так как Ua = Еа — Iаrвых. Сеточная характеристика Iа = = f (Uc). Для этого случая, т. е. при изменяющемся анодном напряжении и неизменных э. д. с. Еа и сопротивлении нагрузки rвых, называется рабочей или динамической характеристикой. Она имеет тот же характер, но меньшую крутизну.
Рис. 3. Двухкаскадныйn усилитель на сопротивлениях.
На рис. 2 по заданной кривой входного напряжения — сигнала ивх и динамической характеристике апостроен по точкам график анодного тока в.
Если между сеткой и катодом лампы будет приложено только одно входное переменное напряжение, то потенциал сетки в течение одного полупериода будет положительным, в течение другого — отрицательным. При положительном потенциале сетки в контуре катод — сопротивление rс — сетка — катод появится сеточный ток, искажающий сигнал, что недопустимо.
Для получения отрицательного потенциала сетки в течение всего времени работы между сеткой и катодом включают дополнительный источник постоянной э. д. с. Eс — напряжение смещения; (рис. 2 и 3). В этом случае напряжение на сетке в каждый момент времени равно алгебраической сумме мгновенного значения входного напряжения ивх и напряжения смещения Ес. Анодный ток состоит из двух слагающих: тока покоя Iа0 и переменной Iа.м sin ωt, т. е.
Рис. 13-46. Двухкаскадный усилитель на трансформаторах.
ia = Iа0 + Iа. м sin ωt.
Величина падения напряжения на выходном сопротивлении, созданная переменной слагающей тока:
uвых = rвыхIа. м sin ωt = Uвых. м sin ωt
представляет усиленное в k раз входное напряжение uвх.
Если усиление, полученное одним каскадом, недостаточно, то применяют усилитель с несколькими каскадами.
При этом напряжение на выходном сопротивлении первого каскада будет служить входным, напряжением для второго каскада и т. д. Последний каскад обычно служит для получения на выходе достаточной мощности.
Коэффициент усиления усилителя с несколькими каскадами равен произведению коэффициентов усиления отдельных каскадов.
Ʀ = Ʀ1Ʀ2Ʀ3…Ʀn.
Рис. 13-47. Сеточное смещение при помощи анодного тока.
Связь между каскадами можно выполнить различно, например на сопротивлениях или на трансформаторах.
На рис. 13-45 дана схема двухкаскадного усилителя на сопротивлениях (с гальванической связью).
Здесь входное переменное напряжение ивх вызывает в анодной цепи первой лампы пульсирующий ток. Постоянная слагающая этого анодного тока проходит через выходное сопротивление rвых1, но не может пройти через сеточное сопротивление rс2 второй лампы из-за разделительного конденсатора С. Часть переменной слагающей анодного тока первой лампы, проходящая через конденсатор С и сопротивление rс2, создает на этом сопротивлении напряжение, представляющее собой усиленное первой лампой входное напряжение. Это напряжение подается на сетку второй лампы и усиливается ею до величины Uвых2.
В схеме усилителя на трансформаторах (рис. 13-46) выходное сопротивление первого каскада заменено первичной обмоткой межкаскадного трансформатора, вторичная обмотка которого включена между сеткой и катодом второй лампы. Применение трансформатора с коэффициентом трансформации 3—5 повышает коэффициент усиления.
Напряжение смещения чаще получают не от батареи смещения (рис. 13-43), а используют для этого падение напряжения на сопротивлении rсм (рис. 13-47), вызванное прохождением постоянной составляющей тока Iа0rсм. Переменная составляющая анодного тока проходит преимущественно через конденсатор С, который оказывает этой составляющей сопротивление во много-раз меньшее, чем rсм.
Рис. 13-48. График анодного тока при большом сеточном смещении.
Величина сеточного смещения определяет режим работы электронной лампы и форму кривой анодного тока. Различают несколько классов усиления, соответствующих различным режимам работы усилительных ламп.
На рис. 13-44 напряжение смещения выбрано с таким расчетом, что при всех значениях сеточного напряжения анодный ток определяется по прямолинейной части динамической характеристики. В этом случае входное напряжение в точности воспроизводится переменной составляющей анодного тока и усиление происходит без искажения — оно относится к классу А. Ток покоя Iа0 очень велик, схема имеет низкий (меньше 50%) к. п. д.
На рис. 13-48 напряжение смещения увеличено — класс усиления АВ, Переменная составляющая анодного тока искажается, так как лампа работает на непрямолинейном участке динамической характеристики. Постоянная составляющая тока уменьшилась, а к. п. д. увеличился по сравнению с предыдущим случаем.
Увеличив еще напряжение смещения, получим классы усиления В и С, при которых переменная составляющая анодного тока будет представлять собой срезанные полуволны тока с еще большим искажением.
Статья на тему Электронные усилители






Добавить комментарий
Для отправки комментария вам необходимо авторизоваться.